
●Adopt advanced IGBT power module, the system is more stable and reliable;
●Reasonable structural layout to ensure power circuit design and good heat dissipation effect;
●Using DSP+FPGA control platform; precise, safe and stable control;
●Equipped with a 4.3-inch HMI touch screen, providing a friendly UI man-machine interface for operation;
●Continuous reactive power compensation and accurate compensation to prevent under-compensation and over-compensation;
●Strong overload capability, continuous operation with 1.1 times overload, and three-phase unbalance compensation capability;
●Suitable for cabinet installation and fixation;
●Multiple units can be used in parallel, centralized panel monitoring;
●Rated voltage: 0.4kV
●Number of phases: three-phase three-wire, three-phase four-wire
●Capacity: 20~100kvar
●Grid frequency: 45Hz~62Hz
●The efficiency of the whole machine: ≥97.6%
●Fast response time <50us, full response time: <10ms
●Module power consumption<2kW
●CT transformation ratio range: 150:5~6000:5
●Communication interface: RS485
●Communication protocol: Modbus protocol
●Use place: indoor, no dust, no corrosion, no flammable gas
●Altitude: lower than 1000 meters, derating use when higher than 1000 meters
●Working temperature: -10ºC ~ +40ºC
●Working humidity: <95%
●Protection level: IP20
●Noise: 65db (1m)
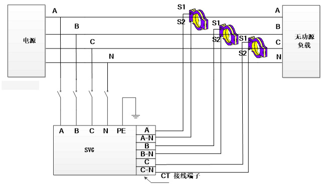
HVGM power modules need to wire and install three-phase power cables, N cables, PE cables, and external CT cables. The overall block diagram is shown in the figure below.
model | Output capacity | Installation method | Size description WxDxH(mm) | Remarks |
HVGM-0.4-35-1/□ | 35kvar | Chassis type | 315x500x200 | Centralized monitoring |
HVGM-0.4-50-1/□ | 50kvar | Chassis type | 440x575x232 | Centralized monitoring |
HVGM-0.4-75-1/□ | 70kvar | Chassis type | 440x575x232 | Centralized monitoring |
HVGM-0.4-100-1/□ | 100kvar | Chassis type | 510x585x250 | Centralized monitoring |
HVGM-0.4-35-2/□ | 35kvar | Rack | 315x200x500 | Single machine/centralized monitoring |
HVGM-0.4-50-2/□ | 50kvar | Rack | 440x232x575 | Single machine/centralized monitoring |
HVGM-0.4-75-2/□ | 70kvar | Rack | 440x232x575 | Single machine/centralized monitoring |
HVGM-0.4-100-2/□ | 100kvar | Rack | 510x250x585 | Single machine/centralized monitoring |